WDS-RT250摇篮五轴

产品详情

产品应用:

精密零部件

医疗器材

航天航空零部件

适配于850行程机床


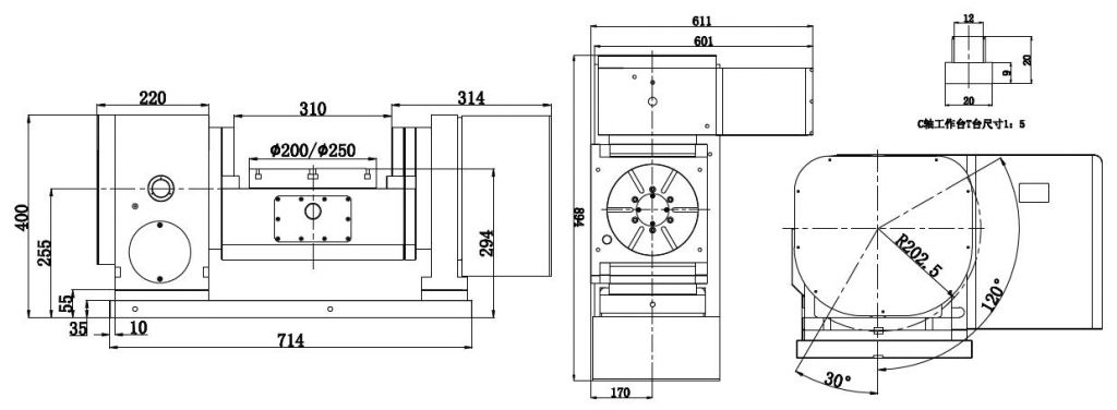
产品参数:


图纸尺寸


相关下载